Componenti per Trasportatori
Soluzioni avanzate per la movimentazione industriale
I componenti per trasportatori sono essenziali per garantire il corretto funzionamento e l’efficienza delle linee di movimentazione industriale. Progettati per adattarsi a diverse configurazioni, assicurano continuità operativa e affidabilità nel trasporto dei materiali.
Compila il form
Ti risponderemo il più presto possibile.
Riprova in un secondo momento.

Componenti per trasportatori industriali
I componenti per trasportatori costituiscono l’elemento fondamentale per la realizzazione e l’efficienza dei sistemi di movimentazione industriale. All’interno delle linee produttive, questi elementi permettono di gestire il flusso dei materiali in modo continuo e controllato, contribuendo a migliorare l’organizzazione del lavoro e la produttività complessiva. La scelta di componenti adeguati consente di adattare i trasportatori a diverse configurazioni, garantendo compatibilità con specifiche esigenze operative e tipologie di carico.
Caratteristiche tecniche e funzionalità
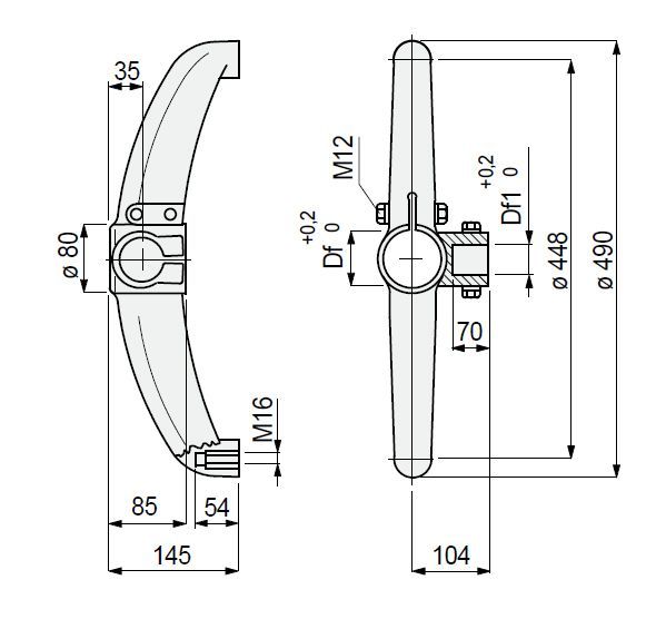
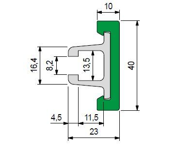
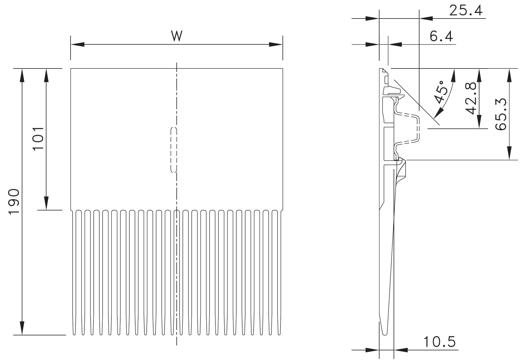
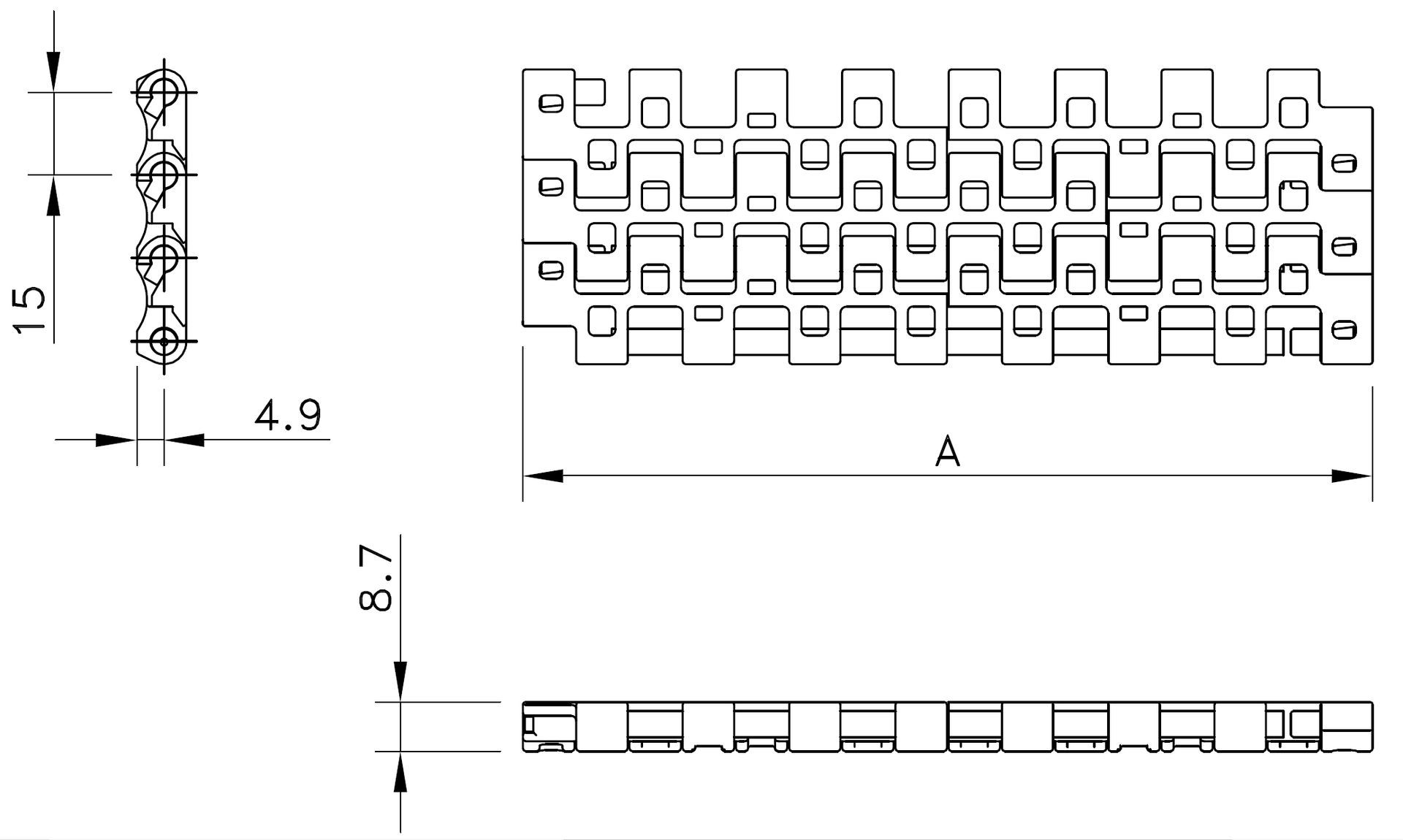
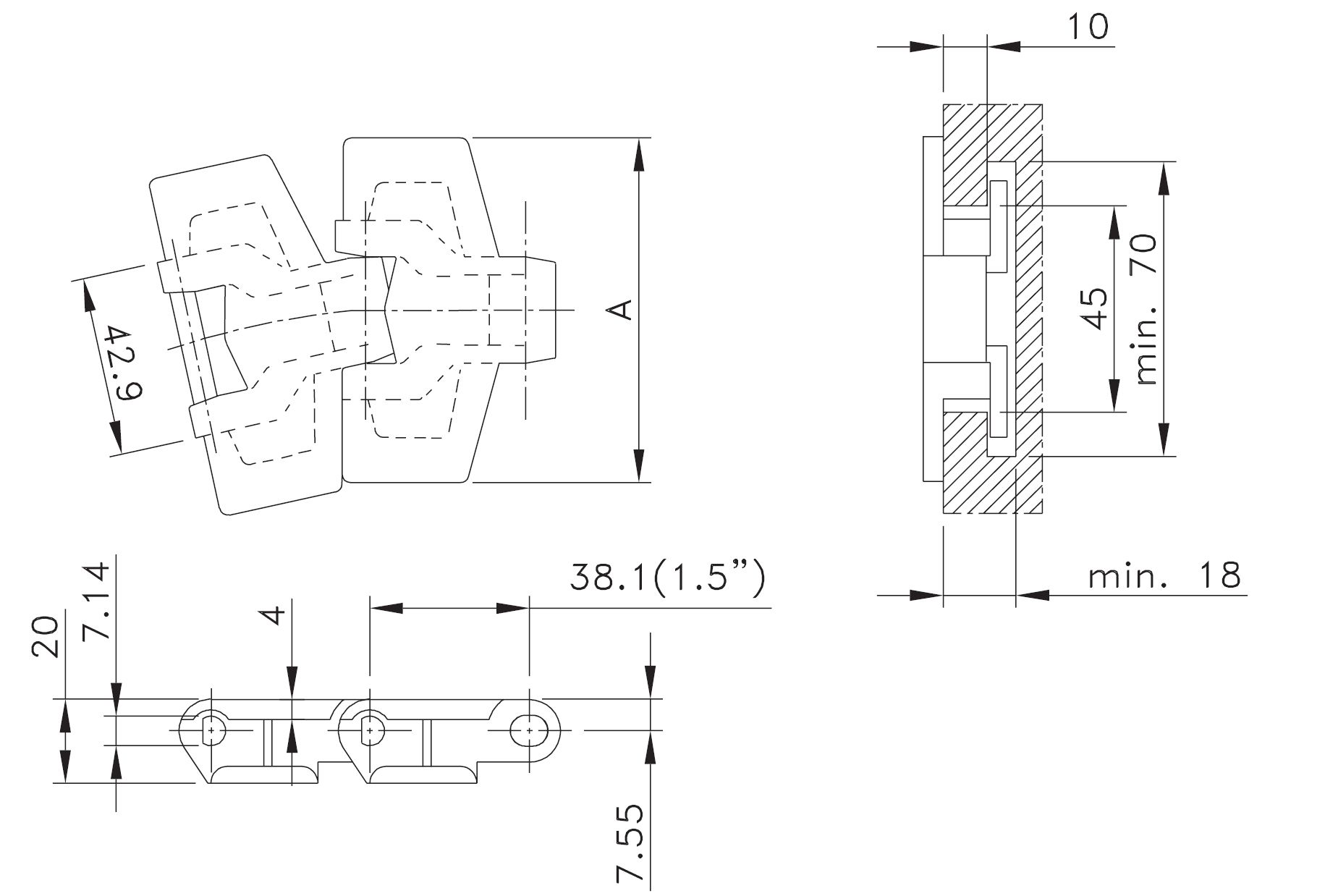
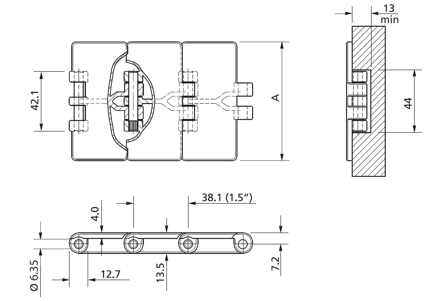
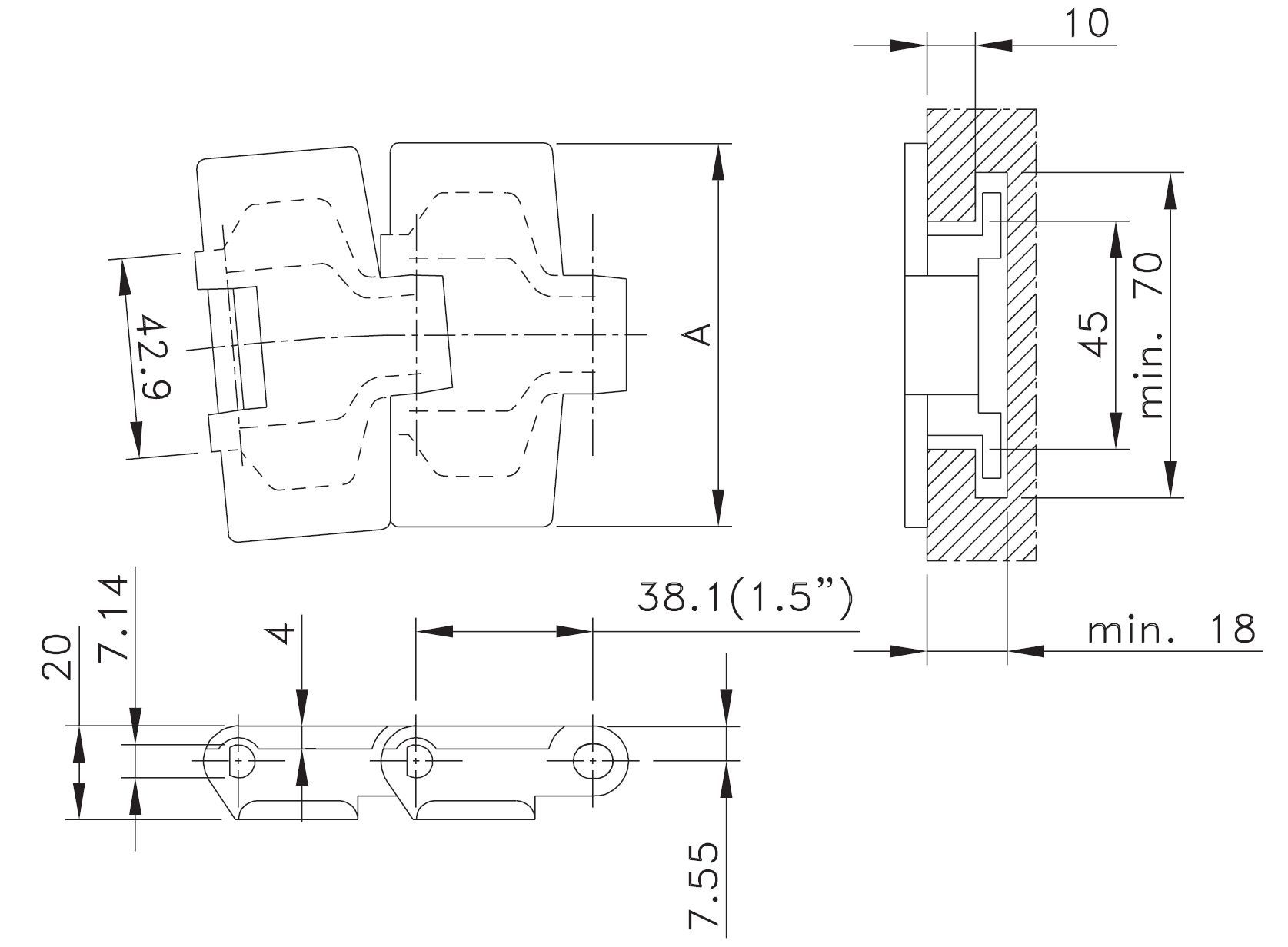
I componenti per trasportatori si distinguono per la loro versatilità e affidabilità, offrendo soluzioni progettate per resistere a condizioni di utilizzo intensivo. Tra gli elementi principali rientrano guide, rulli, supporti, sistemi di scorrimento e accessori per l’assemblaggio, tutti studiati per garantire stabilità e continuità nel movimento. La qualità dei materiali e la precisione costruttiva permettono di ridurre l’usura e gli interventi di manutenzione, assicurando prestazioni costanti nel tempo. Inoltre, la possibilità di configurare i componenti in base alle esigenze specifiche consente di ottimizzare le linee di trasporto, migliorando l’efficienza dei processi produttivi.
Contattaci per soluzioni su misura e supporto tecnico dedicato
Compila il form
Ti risponderemo il più presto possibile.
Riprova in un secondo momento.
Informazioni di contatto e richiesta preventivi
Indirizzo
Via Vicinale dei Macinanti, 8 - 84016 Pagani (SA)
Telefono
+ 39 081 5151474
+ 39 081 5152270
dal LUN al ven
08:30 - 13:00 - 15:00 - 19:00
SAB
08:30 - 13:00
DOM
CHIUSO









































































































































































